Вход/Регистрация
Занимательная электроника. Нешаблонная энциклопедия полезных схем
вернуться

Кашкаров Андрей Петрович

Шрифт:

Сопротивление резистора 18–20 кОм предполагает, и это подтверждается практикой (по закону Ома), что общая потребляемая мощность при включении устройства в осветительную сеть 220 В достигнет примерно 4 Вт. Соответственно, радиолюбитель не лишен возможности установить параллельно (в электрическую схему, рис. 1.1) несколько подобных резисторов. Мощность нагрева и мощность потребления при этом кратно увеличатся, площадь обогрева – тоже.

В качестве R1 применяю МЛТ-0,5, в качестве R2 МЛТ-2. Светодиод – любой с током 10–15 мА.

1.1.2. Практика применения устройства

Перспективы применения описанной разработки довольно широки и ограничиваются только творческой фантазией.

В моем хозяйстве локальный и безопасный нагрев применяется для подогрева подложки под аквариумом зимой (на площадку 0,5 кв. м. подключается 8-10 резисторов), поверхности рабочего стола, установленного на лоджии (зимой довольно прохладно, несмотря на застекление). Если к тыльной стороне кафеля установить мощные проволочные резисторы типа ПЭВР (или аналогичные) и усилить электропроводку, кафель может нагреваться от сети 220 В до температуры и 70, и 80 °C, причем за весьма короткое время. Но тогда заявленная в первых строках моего описания экономичность разработки перестанет быть таковой.

Еще одна идея применения разработки в том, что ее без каких-либо переделок уместно использовать в качестве… фумигатора. Если на нагретую кафельную плитку положить пластинку для фумигатора, то вся конструкция выполнит роль «отпугивателя» комаров (летом) из жилого помещения. Только в данном случае пластину фумигатора можно положить не одну и в любое место подогретого стола (любой поверхности), что делает предложение более удобным в использовании, чем, к примеру, штатный или промышленный электрофумигатор.

Впрочем, напомню, что варианты практического применения этой конструкции не ограничены и могут найти в умах радиолюбителей и более изысканный путь.

Но это еще не все.

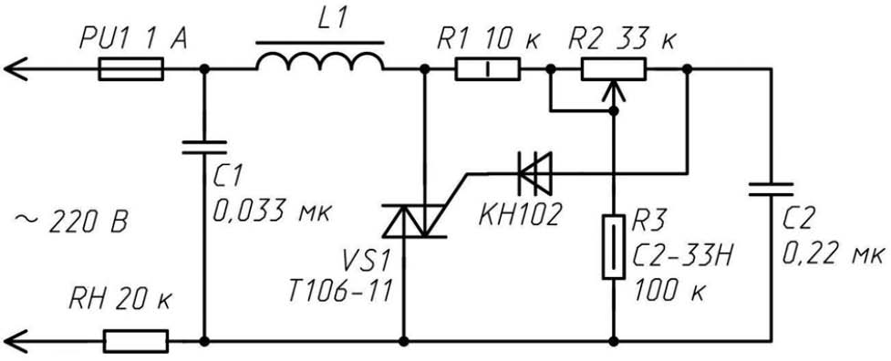
Рис. 1.5. Электрическая схема регулятора температуры нагрева

Теперь на двух разных примерах давайте посмотрим, как можно регулировать температуру нагрева резистора при подключении к сети 220 В и «безопасном» постоянном напряжении 12 В. В данном случае температура нагрева керамической пластины (плитки) прямо связана с падением напряжения на резисторе Rн (см. далее схемы на рис. 1.5 и 1.6).

1.1.3. Управление «керамическим» нагревом в осветительной сети 220 В

На рисунке 1.5 представлена электрическая схема устройства нагрева с управляющим элементом симистором.

При большом токе через нагревательный элемент (и прочие приборы с реактивным характером нагрузки) подобное устройство создаст радиопомехи как в радиоэфире, так и в электрической сети в пределах одного электрического контура (электросчетчика энергии). С другой стороны, предлагаемая на рисунке 5 схема, на мой взгляд, отличается своей простотой и эффективностью. В качестве управляющего элемента применен мощный симистор, который в открытом состоянии пропускает в нагрузку обе полуволны переменного напряжения. Дроссель L1 (45 витков трансформаторного провода ПЭЛ-0,8 на кольце 2000НН) и конденсатор С1 сглаживают пульсации напряжения в моменты неполного открытия симистора почти до нуля, что положительно сказывается на активной нагрузке. Что я имею в виду под этим словосочетанием?

Управление напряжением на симисторе осуществляется переменным резистором R2 (типа СПО-1) с линейной характеристикой изменения сопротивления (индекс В).

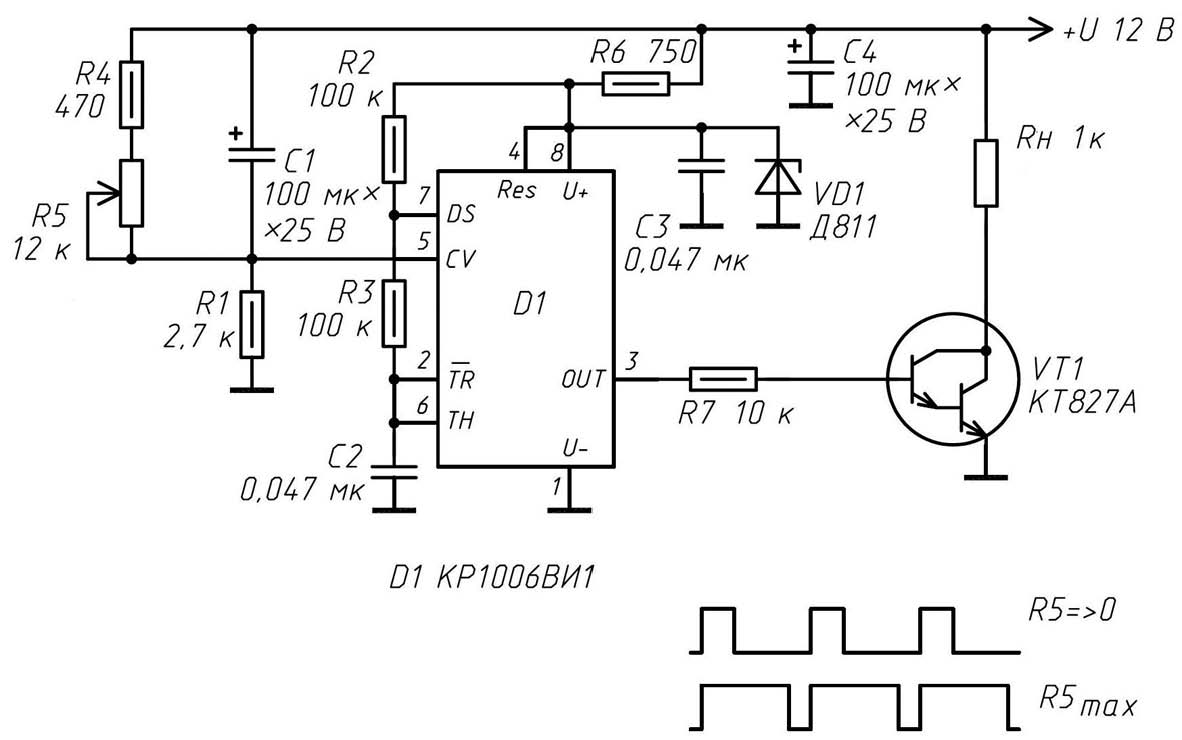
Рис. 1.6. Электрическая схема устройства

Устройство предназначено для регулировки напряжения на нагрузке мощностью до 100 Вт. В этих пределах симистор на теплоотвод устанавливать не нужно.

Корпус и ручка регулировки переменного резистора (для безопасности пользования) должны быть изолированы. Так как элементы узла подключены к опасному для жизни напряжению, при эксплуатации устройства следует соблюдать меры безопасности.

Должен заметить, что данная схема взята из промышленного устройства-диммера, которые хорошо продавались в розничной сети десяток лет назад. Для экономии времени экспериментов «керамического нагревателя» мною был проведен опыт именно с этой схемой (вместо Rн по замыслу производителя включается лампа накаливания мощностью 11–60 Вт). Однако устройство испытано и показало хорошие результаты: максимальный нагрев резистора Rн достигается за 4,5 минуты. При максимальном увеличении сопротивления резистора R2 падение напряжения на Rн всего около 10 В (переменного тока), и он не нагревается. В принципе элементы L1 и C1 в определенных случаях можно из схемы исключить.

Устройство в налаживании не нуждается.

Постоянные резисторы – типа МЛТ или С2-33. Ограничивающий резистор – R1 с мощностью рассеяния не менее 1 Вт. Симистор можно заменить на КУ208В-КУ208Г.

Конденсаторы С1 и С2 – типа МБМ, МБГО или аналогичные на рабочее напряжение не ниже 300 В.

1.1.4. Особенности конструкции при «низковольтном» питании 12 В

«Теплый стол» согласно схеме на рисунке 1.6 с питанием 12 В постоянного тока работает в двух аспектах – включено и выключено. Небольшое напряжение питания выбрано для максимальной безопасности работы с устройством. С помощью этой несложной схемы удается существенно расширить возможности описанного выше оригинального нагревательного элемента.

  • Читать дальше
  • 1
  • 2
  • 3
  • 4
  • 5
  • 6
  • 7
  • 8
  • 9
  • 10
  • ...

Ебукер (ebooker) – онлайн-библиотека на русском языке. Книги доступны онлайн, без утомительной регистрации. Огромный выбор и удобный дизайн, позволяющий читать без проблем. Добавляйте сайт в закладки! Все произведения загружаются пользователями: если считаете, что ваши авторские права нарушены – используйте форму обратной связи.

Полезные ссылки

  • Моя полка

Контакты

  • chitat.ebooker@gmail.com

Подпишитесь на рассылку: