Вход/Регистрация
Большая Советская Энциклопедия (РЕ)
вернуться

Большая Советская Энциклопедия

Шрифт:

Ревдинские волнения 1824-26 и 1841

Ре'вдинские волне'ния 1824—26 и 1841, массовые выступления крепостных рабочих на Ревдинском металлургическом заводе Пермской губернии. Возникли вследствие жестокой эксплуатации рабочих в декабре 1824, повторились в мае 1825. Рабочие направили ходоков в Екатеринбург, но ходоки были арестованы. 16 июня более 500 рабочих пошли выручать арестованных товарищей, однако были разогнаны солдатами. Волнения не утихали до апреля 1826. В августе 1826 многие участники Р. в. после карательной экспедиции были наказаны палками и батогами. Весной 1841 волнения вспыхнули вновь. Были избраны вожаки: Ю. Дрягин, К. Еремин, М. Бороздин, Т. Козырин. Восставшие установили связь с рабочими соседних заводов. Вооружались ружьями, выставляли караулы. 14 апреля прибыл карательный отряд. В бою было убито 33 чел. и более 60 ранено. Руководителей восстания сослали в Сибирь, 25 активных участников были отданы в рекруты, каждый десятый повстанец наказан розгами.

Ревелль Вильо Габриель

Ре'велль (Rewell) Вильо Габриель (25.1.1910, Васа, — ноябрь, 1964, Хельсинки), финский архитектор. Окончил Политехнический институт в Хельсинки (1936). В 1952 в Хельсинки построил комплекс отеля и административных помещений — программное произведение финского рационализма 50-х гг. Лидер этого направления, Р. уделял основное внимание чёткой структурной композиции зданий, выявляющей их функцию и несущую конструкцию. Наиболее значительная работа Р. — ратуша в Торонто (1965; см. илл.), в архитектуре которой он отошёл от ортодоксального рационализма, смело сочетая криволинейные и прямолинейные элементы в пластически богатой композиции.

Лит.: Viljo Revell [Album], N. Y., 1964.

В. Ревелль и др. Ратуша в Торонто. 1965.

В. Ревелль. Банк в Турку. 1968.

Ревель

Ре'вель, прежнее название г. Таллина, столицы Эстонской ССР.

Ревень

Реве'нь (Rheum), род растений семейства гречишных. Крупные многолетние травянистые растения. Цветоносный стебель сплошной или полый, высотой 1,5—2 м. Прикорневые листья очень крупные, с длинными мясистыми сочными черешками большей частью цельные (у Р. тангутского 5—7-лопастные), образуют розетку. Соцветия метельчатые или колосовидные. Цветки обоеполые, иногда встречаются и чисто мужские. Плод — трёхгранная коричневая крылатая семянка. Родина — Юго-Восточная Азия, Северная Монголия, Северный Китай, Алтай, Сибирь. Известно около 30 видов (по другим источникам, 49); в СССР 22 вида. Некоторые виды введены в культуру как овощные, лекарственные и дубильные растения. В культуре наиболее распространены Р. волнистый (P. undulatum), Р. компактный, или Р. плотный (R. compactum), и Р. черноморский, или Р. черенковый (R. rhaponticum). Р. — холодостойкое растение, переносит весенние заморозки до 10 °С; трогается в рост по мере оттаивания почвы, хорошо растет при температуре 8—10 °С. К свету мало требователен. Почвы должны быть плодородные, влажные, но без застоя воды. В пищу идут черешки листьев, содержащие сахаров до 2,5%, органических кислот (главным образом яблочную, лимонную, щавелевую, янтарную) около 3,5%, соли калия, кальция, фосфора, магния. Из Р. готовят компот, кисель, варенье, вино и др. Корни Р. тангутского (R. palmatum var. tanguticum) содержат эмодин, хризофановую кислоту, антрагликозиды, которые оказывают слабительное действие. Применяют в виде порошков, таблеток, спиртовой настойки, сиропа. Р. выращивают посевом семян, рассадой и делением корневищ. Сбор урожая — на 2-й год после посадки. Черешки длина 25—70 см, толщиной 1,5—4 см убирают (выламывая, обрезая или скашивая) с начала мая до первой декады июня. Урожайность на 6—7-й год — 250—300 ц/га. Для получения более раннего (на 10—15 сут) и повышенного в 2 раза урожая плантацию укрывают синтетической плёнкой. Р. можно выращивать зимой в теплицах из 3—4-летних корневищ.

З. С. Лежанкина, Н. И. Осина.

Рис. к ст. Ревень.

Ревербератор

Ревербера'тор, устройство для достижения искусственным путём эффекта реверберации, применяемое преимущественно при формировании программ радио- и проводного вещания, звукового сопровождения телевизионных программ и при звукозаписи. На вход Р. подаётся электрический сигнал, несущий звуковую информацию. Действие Р. сводится к сложению этого основного сигнала с последовательностью электрических сигналов убывающей амплитуды, несущих ту же информацию, но задержанных относительно основного сигнала во времени. Время реверберации определяется требованиями к характеру звучания: обычно оно выбирается в пределах от 0,8—1,5 сек до 5—8 сек. С выхода Р. сигнал поступает на звуковоспроизводящее или звукозаписывающее устройство. Как правило, Р. обеспечивают звучание, близкое по качеству к естественному. Наиболее распространены магнитный, листовой и пружинный Р.

В магнитном Р. последовательность запаздывающих импульсов формируется при помощи движущегося с постоянной скоростью кольцевого носителя (магнитного барабана или склеенной в кольцо магнитной ленты), на котором записывается входной сигнал (рис. 1). В листовом Р. элементом, в котором происходит запаздывание сигналов, служит свободно подвешенный тонкий стальной лист (в нём возбуждаются изгибные колебания, отражающиеся от краев). В пружинном Р. элемент задержки сигналов — одна или несколько спиральных пружин, в которых возбуждаются крутильные колебания (рис. 2).

Особые магнитные Р. — т. н. амбиофоны — применяют для улучшения акустических характеристик помещений. В залах, где звуки сильно заглушаются, с их помощью электроакустическим способом имитируют отражения звука от потолка и стен и тем самым создают для слушателей условия восприятия звука, близкие к оптимальным.

Лит.: Дрейзен И. Г., Системы электронного управления акустикой залов и радиовещательных студий, М., 1967; Козюренко Ю. И., Искусственная реверберация, М., 1970.

Н. Т. Молодая, Л. З. Папернов.

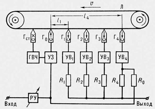
Рис. 1. Схема устройства магнитного ревербератора: РУ — регулятор уровня звука; ГВЧ — генератор высокой частоты для стирания записи; Гст — стирающая магнитная головка; УЗ — усилитель записи (звуковых частот); Г — записывающая магнитная головка; УВ1, …, УВ4 — усилители воспроизведения (звуковых частот); Г1, ..., Г4 — воспроизводящие магнитные головки; Л — магнитная лента; R, ..., R4 — развязывающие резисторы; l1, ..., l4 — расстояния между записывающей и воспроизводящими головками. Стрелкой показано направление движение

ленты. Длительность задержки запаздывающих сигналов ti = li/v (i = 1, ..., 4; v — скорость движения ленты).

Рис. 2. Схема пружинной линии задержки: 1 — постоянный магнит; 2 — упруго закрепленная рамка из изолированного провода; 3 — пружина; 4 — свободно поворачивающаяся рамка из изолированного провода.

Реверберационная камера

Реверберацио'нная ка'мера (звонкая, диффузная), помещение для акустических измерений, в котором звук по возможности полностью отражается от ограждающих поверхностей и в каждой точке которого звуковое давление в среднем одинаково, а приход звуковых волн с разных направлений равновероятен. Стены Р. к. изготовляют из железобетона и кирпича, а внутренняя поверхность Р. к. облицовывают материалами с минимальным звукопоглощением (высокомарочным цементным раствором, мрамором и др.). Диффузность звукового поля достигается неправильностью формы Р. к. (непараллельность ограждающих поверхностей, специально созданные неровности на стенах), а также развешиванием в них в случайном порядке отражающих элементов в виде изогнутых пластин. Обычно Р. к. изолируют от внешних звуков и вибраций. Звуковое поле в Р. к. создаётся 2—4 громкоговорителями, направленными в углы Р. к.

  • Читать дальше
  • 1
  • ...
  • 16
  • 17
  • 18
  • 19
  • 20
  • 21
  • 22
  • 23
  • 24
  • 25
  • 26
  • ...

Ебукер (ebooker) – онлайн-библиотека на русском языке. Книги доступны онлайн, без утомительной регистрации. Огромный выбор и удобный дизайн, позволяющий читать без проблем. Добавляйте сайт в закладки! Все произведения загружаются пользователями: если считаете, что ваши авторские права нарушены – используйте форму обратной связи.

Полезные ссылки

  • Моя полка

Контакты

  • chitat.ebooker@gmail.com

Подпишитесь на рассылку: