Вход/Регистрация
Встраиваемые системы. Проектирование приложений на микроконтроллерах семейства 68HC12/HCS12 с применением языка С
вернуться

Пак Дэниэл Дж.

Шрифт:

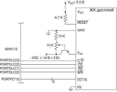
б) Описание выводов контроллера графического ЖК дисплея

Рис. 5.16. Сопряжение графического ЖК дисплея с МК

Проанализировав записи в табл. 5.16, б, Вы увидите, что графический дисплей требует для своей работы двуполярного источника питания. Положительное напряжение питания обеспечивает работу контроллера управления, в то время как отрицательное напряжение необходимо для регулирования контрастности получаемого на дисплее изображения.

В нашем примере мы использовали линии портов PORTP и PORTDLC для обмена данными между МК и дисплеем. Двунаправленная магистраль данных контроллера дисплея D[7…0] подключена к линиям PORTP[7…0] двунаправленного порта PORTP (рис. 5.16, а). В отличие от предыдущего примера, обмен данными между МК и контроллером дисплея происходит в двух направлениях. Поэтому в процессе взаимодействия с дисплеем МК многократно перепрограммирует регистр направления передачи DDRP, изменяя режим работы линий порта PORTP (ввод или вывод).

Для управления режимами обмена информацией с контроллером используются четыре дополнительных сигнала, которые формируются МК на линиях PORTDLC[3…0] порта PORTDLC (рис. 5.16, а). Назначение и краткое описание сигналов управления дисплеем приведено в таблице рис. 5.16, б. Там же показаны комбинации управляющих сигналов, которые следует использовать при обмене с дисплеем различными типами данных.

Рис. 5.17. Временные диаграммы обмена контроллера графического ЖК дисплея

Временные диаграммы обмена. Временные диаграммы обмена с контроллером управления графическим ЖК дисплеем приведены на рис. 5.17. Они аналогичны рассмотренным ранее диаграммам обмена с контроллером цифро-буквенного индикатора. Так же, как и в предыдущем случае, мы будем генерировать сигналы управления в соответствие с приведенной временной диаграммой, последовательно переключая линии порта PORTDLC в программе управления дисплеем.

Набор функций управления графическим ЖК дисплеем. Мы предлагаем Вашему вниманию набор функций на Си, которые могут быть использованы в других программах для эффективного управления графическим ЖК дисплеем. Для каждой функции приведено описание и исходный текст программы на Си. На рис. 5.18 показана структура программного обеспечения для управления графическим дисплеем, в которой отражены полный набор функций управления и их взаимосвязь. В одном из самостоятельных заданий к этой главе мы попросим Вас разработать блок-схемы алгоритмов для реализации каждой из перечисленных функций управления.

Рис. 5.18. Структура программного обеспечения графического ЖК дисплея

//---------------------------------------------------------------------

//filename: 2D_LCD.c содержит программный код для 14 функций управления

//графическим ЖК дисплеем

//---------------------------------------------------------------------

//Схема подключения дисплея AND1391ST к МК 68HC12

// PORTDLC[3] C/D

// PORTDLC[2] CE

// PORTDLC[1] RD

// PORTDLC[0] WR

// PORTP[7…0] D[7…0]

// вывод RESET дисплея AND1391ST через резистор 4,7 кОм к источнику питания

// вывод FS дисплея AND1391ST к общему выводу источника питания

// ------------------------------------------------------------------------

// Функция initialize_lcd производит начальную установку режимов

//графического дисплея

// ------------------------------------------------------------------------

void initialize_lcd(void) {

 char temp = 0x00;

 PORTDLC = 0xFF; //установить 1 на всех выходах порта: запрет всех

//действий с дисплеем

 PORTDLC = PORTDLC & 0xEF; //сброс экрана, RESET=0

 delay(2000); //задержка 2 мс

 PORTDLC = 0x7F; //установить вывод RESET в 1

 write; //установить WR=0

 command(0x80); //установить режим работы текстовый

 data(0x00); //слово управления

 data(0х10); //слово управления

 command(0х40); //установить адрес начала текста

 data(0х10); // слово управления

 data(0x00); // слово управления

 command(0х41); // установить область текста: 16 знаков

 command(0x94); //выключить дисплей, курсор мигает

 command(0хА7); //установить курсор 8x8 точек

 data(0x01); // слово управления

 data(0х01); // слово управления

 command(0х21) ; //установить позицию курсора

}

// ----------------------------------------------------------------------------

// Функция read конфигурирует линии порта PORTP для ввода данных от контроллера

// дисплея.

  • Читать дальше
  • 1
  • ...
  • 125
  • 126
  • 127
  • 128
  • 129
  • 130
  • 131
  • 132
  • 133
  • 134
  • 135
  • ...

Ебукер (ebooker) – онлайн-библиотека на русском языке. Книги доступны онлайн, без утомительной регистрации. Огромный выбор и удобный дизайн, позволяющий читать без проблем. Добавляйте сайт в закладки! Все произведения загружаются пользователями: если считаете, что ваши авторские права нарушены – используйте форму обратной связи.

Полезные ссылки

  • Моя полка

Контакты

  • chitat.ebooker@gmail.com

Подпишитесь на рассылку: