Вход/Регистрация
Как освоить радиоэлектронику с нуля. Учимся собирать конструкции любой сложности
вернуться

Дригалкин В. В.

Шрифт:

После того, как вы настроите приемник, залейте катушки парафином — используйте для этого парафиновую свечку. При этом немного сдвинется частотный диапазон, но зато катушки будут защищены от внешних механических воздействий.

Индикатор выходного сигнала

Ни один звуковоспроизводящий комплекс не обходится без индикатора выходного сигнала (рис. 9.7).

Рис. 9.7. Принципиальная схема индикатора выходного сигнала на КА2281.

В основе устройства — интегральная микросхема фирмы Samsung — KA2281 (двухканальный пятиразрядный усилитель индикации с логарифмической шкалой). Отличается данное включение микросхемы от типового только введением дополнительных светодиодов D11 и D12, которые загораются сразу при включении устройства и сигнализируют о готовности к работе. Чувствительность индикатора регулируется резисторами R3 и R4 для каждого стереоканала отдельно, а конденсаторами С1 и С2 настраивается скорость гашения светодиодов.

Зажигание светодиодов начинается справа налево (см. рис. 9.7) для обоих стереоканалов. Для индикации сигнала поставьте светодиоды D1 и D6 красного свечения (на схеме все светодиоды АЛ307В — зеленого свечения).

Для данного устройства не разрабатывалась печатная плата, так как все детали были собраны в навесном виде. Подключается индикатор к линейному выходу музыкального центра, телевизора, звуковой карты. Если захотите использовать его в нашем УНЧ, подключите входы индикатора ко входам микросхемы U2 (см. рис. 9.1) — выводам 1 (L) и 13 (R), не путая каналы.

Глава 10

Электричество — друг человека

Электричество уже давно стало неотъемлемой частью нашей жизни. Многие не представляют свой вечер без компьютера или телевизора. Домохозяйки впадают в панику, когда перестает работать стиральная машина или микроволновая печь. Электричество действительно наш лучший друг, и далее мы еще раз подтвердим этот факт…

Источник питания своими руками

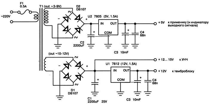
Блоки питания есть практически во всех электрических приборах и предназначены для того, чтобы из электрической розетки шло меньшее напряжение. Это немного грубое определение, но в действительности так оно и есть. Как известно, любое электронное устройство питается от небольшого напряжения. Источники питания представляют собой гасители избыточного напряжения, и больше всего напряжения гасится на трансформаторах, поэтому они, как правило, нагреваются. И чем большее напряжение гасится на трансформаторе, тем сильнее он нагревается. На его нагрев влияет также уровень потребления тока устройством: чем больший ток потребляет устройство, тем больше греется трансформатор. Блоки питания бывают стабилизированными и нестабилизированными, а также импульсными. Последние стараются использовать реже, так как есть сомнения в их надежности, а вот первые и вторые довольно часто. В стабилизированном источнике питания есть стабилизатор, нестабилизированный его не имеет. В предыдущей главе мы собрали УНЧ с темброблоком, приемник и индикатор выходного сигнала. Блок питания для этих устройств, собранных воедино, можно увидеть на рис. 10.1.

Рис. 10.1. Схема блока питания.

Как видите, для питания стереоприемника (и индикатора выходного сигнала) и темброблока используются микросхемные стабилизаторы U1 и U2, а питание на УНЧ подается в обход стабилизатора сразу после диодного моста D1. Вот так отличается нестабилизированный источник питания от стабилизированного. Микросхемные стабилизаторы заменяют стабилитрон, несколько транзисторов и резисторов — такая совокупность деталей применялась раньше. Сейчас все это находится в одной микросхеме с тремя ножками (рис. 10.2), причем данные чипы делают на разное напряжение и ток.

Рис. 10.2. Распиновка микросхемного стабилизатора.

Сетевой трансформатор T1 c двумя вторичными обмотками. Одна из них на 3–9 В, другая — 10–12 В. В принципе, если вам надо получить на выходе стабилизатора, например, 5 В, то берите трансформатор с таким же напряжением вторичной обмотки. То есть выходное напряжение вторичной обмотки трансформатора должно быть таким же, какое вы хотите получить от стабилизатора.

В микросхемном стабилизаторе есть отверстие для крепления его к радиатору. Обязательно привинтите чип к небольшой алюминиевой пластине. Если заметите, что микросхема и пластина сильно нагреваются, увеличьте пластину.

Блок питания для электромеханических часов

Следующая схема (рис. 10.3) будет полезна для тех, у кого дома есть электромеханические часы.

Рис. 10.3. Принципиальная схема блока питания электромеханических часов.

При наличии напряжения в сети часы питаются от этой микросхемы во время положительных полупериодов, а во время отрицательных полупериодов (когда в сети нет напряжения) — энергией, запасенной аккумулятором G1 и конденсатором СЗ. Энергии аккумулятора хватит на несколько суток и даже недель непрерывной работы часов — в зависимости от значения потребляемого ими тока.

Конденсаторы С1 и С2 выступают в роли балластных, гасящих избыточное напряжение сети. Помните, как в блоке питания, мы гасили избыток напряжения с помощью трансформатора. Тут мы гасим его с помощью конденсаторов.

  • Читать дальше
  • 1
  • ...
  • 21
  • 22
  • 23
  • 24
  • 25
  • 26
  • 27
  • 28
  • 29
  • 30
  • 31
  • ...

Ебукер (ebooker) – онлайн-библиотека на русском языке. Книги доступны онлайн, без утомительной регистрации. Огромный выбор и удобный дизайн, позволяющий читать без проблем. Добавляйте сайт в закладки! Все произведения загружаются пользователями: если считаете, что ваши авторские права нарушены – используйте форму обратной связи.

Полезные ссылки

  • Моя полка

Контакты

  • chitat.ebooker@gmail.com

Подпишитесь на рассылку: