Вход/Регистрация
Пионер-электротехник
вернуться

Стрелков Петр Георгиевич

Шрифт:

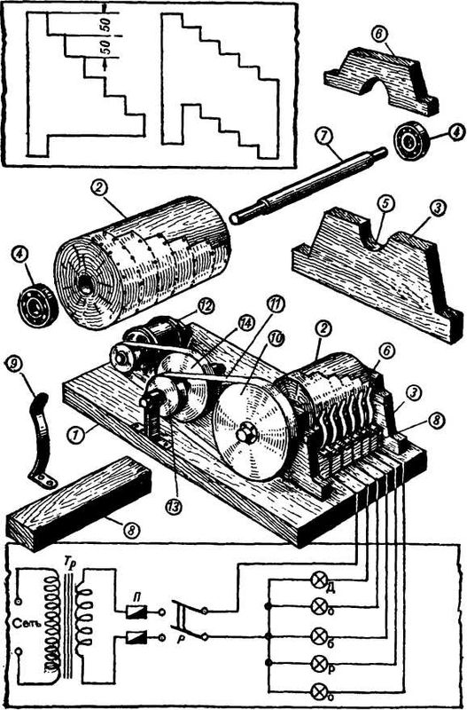
Внешний вид простейшего контактора показан на рисунке 42.

Рис. 42. Самодельный контактор и его детали: Тр — понижающий трансформатор; П — предохранители; Р — рубильник.

Он представляет собой деревянный цилиндрический барабан. На поверхности барабана укреплен один общий контакт специальной формы. Вал барабана устанавливается в стойках изолированно от корпуса и соединяется с валом электродвигателя при помощи ременной или зубчатой передачи с большим замедлением.

К корпусу прикреплена рейка со скользящими контактами, изолированными друг от друга, которые плотно прижимаются к поверхности барабана.

Если присоединить к скользящему контакту один провод от осветительной сети, а другой соединить через лампочку со вторым скользящим контактом, как показано на рисунке, то при вращении барабана лампочка будет включаться в сеть и выключаться через определенные промежутки времени. Так, лампочка, присоединенная к первому контакту, включится в цепь раньше всех других и будет гореть продолжительнее других, а лампочка присоединенная к последнему контакту, включится в сеть последней и будет гореть непродолжительно. Все лампочки выключатся одновременно, когда скользящие контакты сойдут с общего контакта и будут скользить по деревянной поверхности барабана. Чтобы лампочки включались в разное время, на общем контакте предусмотрены выступы на разных расстояниях друг от друга.

Вы можете сами изготовить простейший и надежный контактор. Из сухого дерева выточите барабан диаметром 20–30 сантиметров. Просверлите по центру барабана отверстие и вставьте в него металлическую ось 7. Основание и стойки контактора сделайте из сухой доски. В стойках сделайте гнезда под металлические подшипники. Их можно выточить из латуни или подобрать готовые шариковые подшипники.

Скользящие контакты изготовьте из упругой латуни или контактной бронзы (можно использовать контактные пластинки от старых телефонных реле). Готовые контакты укрепите на деревянной рейке и припаяйте к ним выводы гибкими проводами. Общий контакт изготовьте из тонкой листовой латуни или меди и прикрепите его к барабану. В нем надо сделать такое количество выступов, сколько скользящих контактов укреплено на основании. Число скользящих контактов должно быть равно либо числу букв в слове, либо числу слов в лозунге, которые будут включаться и выключаться в определенном порядке.

После изготовления всех частей контактора приступайте к его сборке.

На основании 1 разметьте по барабану 2 места для крепления стоек 3 и прикрепите стойки к основанию. Установите барабан так, чтобы его подшипники 4 зашли в гнезда 5 на стойках. Закрепите подшипники сверху деревянными накладками 6 с выемками.

Смажьте подшипники тавотом и закройте их с боков металлическими накладками. К основанию прикрепите рейку 8 так, чтобы скользящие контакты 9 плотно прижимались своими выступами к поверхности барабана. Соедините шкив 10 контактора через промежуточные шкивы 13 и 14 и ременную передачу 11 с валом электродвигателя 12, взятого от оконного или настольного вентилятора.

Соедините скользящий контакт, касающийся самого большого кольца с проводом сети, как показано на рисунке 42. Присоедините выводы от лампочек (слово «Добро») к следующим контактам и ко второму проводу сети. Таким же образом включаются в цепь контактора и все другие буквы.

Если включить контактор и электродвигатель в сеть, то при вращении двигателя, а вместе с ним и барабана лампочки будут поочередно загораться и все вместе выключаться.

Для безопасности контактор надо включать в сеть через предохранители и двухполюсный рубильник. Предохранители и рубильник желательно смонтировать на специальном щитке.

Существует большое количество конструкций контактора. Мы рассмотрели здесь самую простую.

Чтобы буквы выключались поочередно, надо сделать общий контакт с выступами и на другой стороне, как показано на рисунке 42, вверху. Если к такому контактору присоединить лампочки, расположенные по кругу, то вы получите вращающийся светящийся круг. Если же вы расположите лампочки по прямой линии и включите их в цепь контактора, то получите бегущий свет.

РАЗЛИЧНЫЕ ВИДЫ ЭЛЕКТРОСИГНАЛИЗАЦИИ

Электросигнализация очень широко используется в современной технике и в быту. Простейший вид сигнализации можно наблюдать в квартирах. Это звонковая, или звуковая, сигнализация. Световая и звуковая сигнализации находят большое применение в различных отраслях техники.

При помощи специальных электрических сигналов и приборов осуществляется буквопечатание на расстоянии как по проводам (телеграфирование), так и без проводов (радиотелеграфирование); передача неподвижных изображений (фотографий) на расстояние как по проводам, так и без проводов (радиофототелеграфирование); управление механизмами и ракетами на расстоянии (радиотелемеханика); управление машинами автоматически, без человека (автоматика); обнаружение самолетов, кораблей, ракет и определение их местоположения в пространстве (радиолокация); вождение и посадка самолетов в условиях отсутствия видимости (радионавигация). Неоценимые услуги оказывают человеку электрические сигналы и во многих других отраслях техники.

В работах пионера-электротехника может быть широко использована только звуковая и световая сигнализации для вызовов, охраны, защиты от аварий и пожаров, сигнализация времени, а также некоторые специальные случаи использования сигнализации.

Приборы для звонковой сигнализации

Самой простой сигнализацией является звонковая. Для ее установки потребуется электрический звонок, некоторое количество изолированных проводов (звонковых, телефонных или радиотрансляционных), источники электрического тока и кнопка для вызова.

  • Читать дальше
  • 1
  • ...
  • 14
  • 15
  • 16
  • 17
  • 18
  • 19
  • 20
  • 21
  • 22
  • 23
  • 24
  • ...

Ебукер (ebooker) – онлайн-библиотека на русском языке. Книги доступны онлайн, без утомительной регистрации. Огромный выбор и удобный дизайн, позволяющий читать без проблем. Добавляйте сайт в закладки! Все произведения загружаются пользователями: если считаете, что ваши авторские права нарушены – используйте форму обратной связи.

Полезные ссылки

  • Моя полка

Контакты

  • chitat.ebooker@gmail.com

Подпишитесь на рассылку: