Вход/Регистрация
Борис Львович Розинг - основоположник электронного телевидения
вернуться

Горохов Петр Кузьмич

Шрифт:

К этому времени фотоэлектрические свойства селена были достаточно хорошо изучены многими учеными. Глубокие исследования селеновых фотосопротивлений были проведены русскими учеными Н. А. Гезехусом и В. А. Ульяниным. iK 1900 г. было опубликовано около 200 работ о результатах этих исследований, на основании которых было установлено, что для целей телевидения селен не подходит.

Попытки компенсировать инерционность селена каким- либо способом, например применением двух фотосопротивлений, включенных по дифференциальной схеме, перемещением фотосопротивления относительно источника света и т. д., не давали желаемого эффекта. Это побудило Б. Л. Розинга заняться изучением фотоэлектрических свойств других веществ и обратиться к фотоэлементам с внешним фотоэффектом. В результате он пришел к решению применить в передающем аппарате щелочной фотоэлемент, конструкция которого была предложена Эльстером и Гейтелем. 

При прерывистом освещении фотоэлемента электронный пучок начинал вибрировать и оставлял на экране трубки след в виде растянутой полоски. Ток, поданный одновременно с этим в электромагниты, отклоняющие электронный пучок в поперечном направлении, вызывал появление на экране ряда светящихся полос. Возникновение и исчезновение полос точно совпадало с моментами освещения и затемнения фотоэлемента.

Основанием для применения элемента с внешним фотоэффектом послужили как имевшиеся литературные данные, так и результаты собственных опытов Б. Л. Розинга. Он писал: "По исследованиям профессора Бергмана, не удалось обнаружить никакого промежутка между началом освещения и возникновением фотоэлектрического эффекта. Наконец, по моим личным опытам я могу утверждать, что подобные фотоэлементы отзываются на световые сигналы даже тогда, если они продолжаются не более 1/10000 сек. Дальше мои опыты не шли, но я думаю, что они могут выдержать испытания и по отношению к сигналам в 1/100000 сек." [7 Б. Л. Розин г. Об электрической телескопии...].

Безынерционное преобразование света в электрические сигналы на передающей стороне позволяло передавать движущиеся изображения. Для воздействия световых лучей от отдельных участков передаваемого изображения на фотоэлемент Б. Л. Розинг применил в передающем устройстве систему из двух многогранных зеркальных барабанов, вращающихся с разными скоростями. Разрешив таким путем в принципе задачу получения сигналов изображения, он сосредоточил свое внимание на создании приемного устройства с электроннолучевой трубкой, способного воссоздавать из принятых сигналов передаваемые изображения. 

Осциллографическая трубка Брауна с постоянной интенсивностью электронного пучка была непригодна для этой цели. Для воспроизведения движущегося изображения с различной яркостью его элементов необходимо изменять интенсивность электронного пучка в соответствии с величиной электрических сигналов, поступающих от передающего устройства.

Эту совершенно новую и сложную задачу Б. Л. Розинг разрешил, применив модуляцию электронного пучка при помощи введенных в трубку диафрагмы с отверстием и пары отклоняющих пластин, к которым подводятся сигналы изображения. При отсутствии сигнала на пластинах электронный пучок не проходит сквозь отверстия диафрагмы, так как между пластинами нет отклоняющего поля. Под действием сигналов изображения через отверстие диафрагмы будет проходить большее или меньшее количество электронов, что и вызовет изменение яркости свечения соответствующих точек экрана трубки. Таким образом, поступающие от передающего устройства телевизионные сигналы управляют яркостью свечения экрана. Управление яркостью в сочетании с отклонением электронного пучка в двух направлениях давало возможность воспроизводить на экране трубки передаваемое изображение с полутонами.

Введя модуляцию интенсивности электронного пучка, Б. Л. Розинг превратил осциллографическую трубку в приемную телевизионную трубку, выполнявшую одновременно функции развертывающего устройства, модулируемого источника света и экрана.

Так шаг за шагом Борис Львович создавал свою систему электрической передачи изображений, настойчиво экспериментируя и проверяя практически каждое ее звено. И только после того как вся схема и все ее элементы были тщательно продуманы, он подал заявку на выдачу ему привилегии на изобретение "Способа электрической передачи изображений". Это было 25 июля 1907 г., т. е. спустя 10 лет после начала первых опытов.

Как указано в заявке, этот способ отличается тем, что "на станции получения изображение воспроизводится последовательно точка за точкой на флуоресцирующем экране трубки Брауна или другого подобного прибора пучком катодных лучей, совершающим движения, подобные и синхронные с движением осей световых пучков, идущих на станции отправления от элементов изображаемого поля к фотоэлектрическому приемнику и изменяющих его сопротивление или электродвижущую силу". Полная схема телевизионной системы Розинга приведена на взятом из патентной заявки чертеже, составленном им самим.

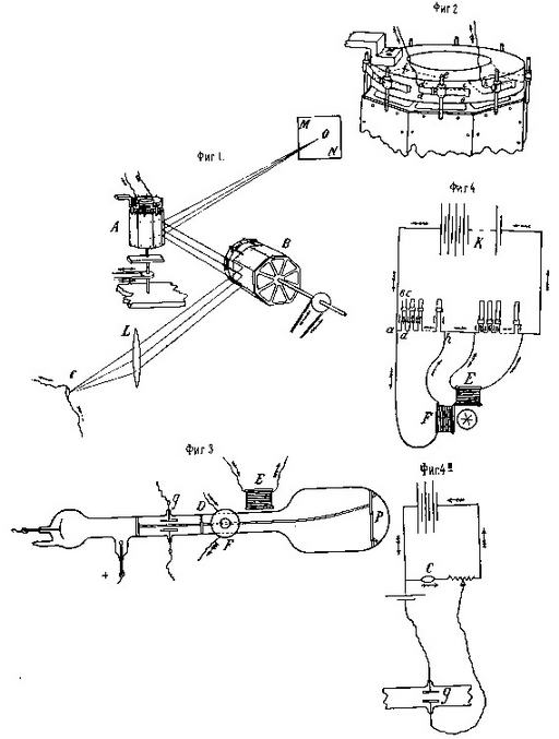
Система электрической передачи изображений Б. Л. Розинга (1907 г.)

Развертка изображения в передатчике осуществлялась при помощи двух зеркальных барабанов А и В, оси вращения которых располагались взаимно-перпендикулярно. При вращении зеркал свет от всех точек передаваемого объекта М N поочередно проходил через линзу L и попадал в расположенный на оси этой линзы щелочной фотоэлемент С. Вертикальный барабан предназначен для развертки по строкам, а горизонтальный — для развертки по кадрам. За один оборот горизонтального барабана вертикальный барабан совершал 50 оборотов. Число строк разложения соответствовало числу граней вертикального барабана и равнялось 12.

На зеркальных барабанах имелись приспособления в виде реостатов а, в, с, d со скользящими щетками, прикрепленных к каждой грани барабана, служившие для осуществления синхронизации передающего и приемного устройств. Эти реостаты должны были давать ток пилообразной формы в отклоняющие катушки Е, F трубки.

Б. Л. Розинг применил способ принудительной синхронизации приемного устройства с передающим, при котором синхронизирующие сигналы в форме тока и напряжения развертки поступают в приемное устройство вместе с сигналами изображения. Для связи передающего устройства с приемным требовалось шесть проводов.

  • Читать дальше
  • 1
  • ...
  • 7
  • 8
  • 9
  • 10
  • 11
  • 12
  • 13
  • 14
  • 15
  • 16
  • 17
  • ...

Ебукер (ebooker) – онлайн-библиотека на русском языке. Книги доступны онлайн, без утомительной регистрации. Огромный выбор и удобный дизайн, позволяющий читать без проблем. Добавляйте сайт в закладки! Все произведения загружаются пользователями: если считаете, что ваши авторские права нарушены – используйте форму обратной связи.

Полезные ссылки

  • Моя полка

Контакты

  • chitat.ebooker@gmail.com

Подпишитесь на рассылку: