Вход/Регистрация
Интернет-журнал "Домашняя лаборатория", 2007 №5
вернуться

Журнал «Домашняя лаборатория»

Шрифт:

14. ГСП

15. Высокочастотный RC-Генератор на ЭСЛ.

16. Генератор, работающий на разности частот.

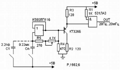
17. ВЧ-Генератор

18. RC Генератор

19. Звуковой Генератор

20. Электроудочка.

21. Релаксационный Генератор.

22. Релаксационный Генератор.

23. Генератор на аналоге лямбда-диода.

24. RC-генератор на триггере Шмидта.

25. RC-генератор на триггере Шмидта с изменяемой скважностью.

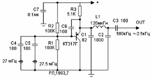
26. Генератор на пьезофильтре

27. Электронный микрометр.

28. Генератор на одном транзисторе.

29. ГУН

31. Прецизионный измеритель перемещения.

32. ГСП

33. ГСП.

34. RC-генератор на D-триггере.

35. Звуковой генератор от телефона.

36. RC-генератор на RS-триггере.

37. 3-х фазный генератор с регулированием ширины импульсов.

38. RC-генератор на ОУ.

39. Генератор на индуктивном интеграторе.

40. LC-генератор.

41. LC-генератор.

42. LC-генератор.

43. LC-генератор.

44. LC-генератор на последовательном контуре.

45. LC-генератор с регулировкой амплитуды.

46. LC-генератор.

47. LC-генератор.

48. LC-генератор.

49. LC-генератор на последовательном контуре

  • Читать дальше
  • 1
  • ...
  • 191
  • 192
  • 193
  • 194
  • 195
  • 196
  • 197
  • 198
  • 199
  • 200
  • 201
  • ...

Ебукер (ebooker) – онлайн-библиотека на русском языке. Книги доступны онлайн, без утомительной регистрации. Огромный выбор и удобный дизайн, позволяющий читать без проблем. Добавляйте сайт в закладки! Все произведения загружаются пользователями: если считаете, что ваши авторские права нарушены – используйте форму обратной связи.

Полезные ссылки

  • Моя полка

Контакты

  • chitat.ebooker@gmail.com

Подпишитесь на рассылку: