Вход/Регистрация
Большая Советская Энциклопедия (ВЫ)
вернуться

Большая Советская Энциклопедия

Шрифт:

Выправление рек

Выправле'ние рек, то же, что регулирование рек .

Выпревание растений

Выпрева'ние расте'ний, частичная или полная гибель озимых хлебов и других зимующих культур (например, многолетних трав) от истощения в результате продолжительного пребывания под глубоким снежным покровом. В. р. способствуют недостаток света, прекращение поступления воды и пищи из почвы, большая влажность воздуха и повышенная температура под снегом. В этих условиях новые питательные вещества в растениях не образуются, а накопленные ранее — расходуются на дыхание. В результате наступает сначала углеводное истощение, затем распад белков и, наконец, поражение растений болезнями (фузариозом, склероцинией и др.).

В. р. происходит преимущественно в мягкие зимы, особенно на переросших с осени густых и слабозакалившихся посевах, покрытых мощным слоем снега, долго не тающим весной (в понижениях, у опушек леса), или в тех случаях, когда на неподготовившиеся к зимовке озимые и на непромёрзшую почву ложится толстым слоем (40—50 см ) снег. Причиной В. р. может быть также висячая ледяная корка , пропускающая свет и способствующая повышению температуры. Во всех этих случаях продолжается активная жизнедеятельность растений и усиливается их дыхание.

Для предупреждения В. р. следует избегать слишком ранних и загущенных посевов, избыточного азотного удобрения, рекомендуется вносить при посеве фосфорно-калийные удобрения, применять устойчивые сорта, гребневые посевы, уплотнять катками выпавший на непромёрзшую почву снег и т.п.

П. И. Подгорный.

Выпрямитель тока

Выпрями'тель то'ка, преобразователь электрического тока переменного направления в ток постоянного направления. Большинство мощных источников электрической энергии вырабатывают ток переменного направления (см. Переменный ток ). Однако многие электрические устройства на городском и железнодорожном транспорте, в химической и радиотехнической промышленности, в цветной металлургии и др. работают на токе постоянного направления (см. Постоянный ток ) различного напряжения. В простейшем случае переменный ток выпрямляется вентилем электрическим , пропускающим ток (например, синусоидальный) только или преимущественно в одном направлении. По видам применяемых вентилей В. т. подразделяют на электроконтактные, кенотронные, газотронные, тиратронные, ртутные, полупроводниковые и тиристорные.

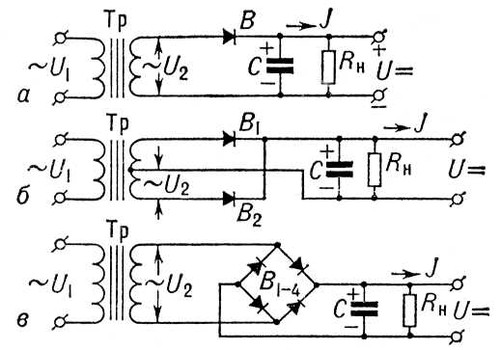
Различают схемы В. т. однополупериодные, двухполупериодные с нулевым выводом и мостовые. На рис. 1 , а приведена однополупериодная схема выпрямителя однофазного тока. Основные элементы В. т.: трансформатор Тр, вентиль В и сглаживающий фильтр С . Напряжение U1 , обычно синусоидальное, от источника переменного тока через трансформатор Тр подаётся на вентиль В. Ток J в нагрузке Rн течёт только при положительной полярности подводимого напряжения, т. е. при открытом состоянии В . Конденсатор С заряжается положительными полуволнами пульсирующего тока, а в паузах, соответствующих по времени отрицательным полуволнам, разряжается на нагрузку. Таким образом, пульсирующий ток сглаживается, усредняется.

Однополупериодные однофазные схемы В. т. применяют главным образом в маломощных устройствах с ёмкостным или индуктивным сглаживающим фильтром. Основное преимущество — простота и малое число вентилей; недостатки — большие пульсации выпрямленного напряжения и высокое обратное напряжение на вентилях (при ёмкостном фильтре).

В двухполупериодной схеме В. т. (рис. 1 , б) применяют трансформатор со средней точкой во вторичной обмотке. Благодаря такому соединению обмотки с вентилями выпрямленный ток формируется из обеих полуволн тока. Частота пульсаций выпрямленного тока при этом возрастает в два раза по сравнению с однополупериодным В. т. (так, если U1 — напряжение промышленной частоты 50 гц , то частота пульсации тока на нагрузке будет 100 гц ), что облегчает сглаживание. Мостовая схема В. т. (рис. 1 , в) также двухполупериодная, но вторичная обмотка трансформатора выполнена без средней точки и имеет в два раза меньшее количество витков по сравнению со вторичной обмоткой трансформатора на рис. 1 , б. Дополнительное сглаживание выпрямленного тока в этих схемах обеспечивается индуктивно-ёмкостными либо резистивно-ёмкостными фильтрами (см. Электрический фильтр ). Указанные схемы В. т. применяют обычно в системах питания устройств, у которых потребляемая мощность не превышает нескольких квт (радиоприёмники, телевизоры, некоторые устройства автоматики и телемеханики и др.), и лишь в отдельных случаях для питания мощных (до тысячи квт ) устройств (например, двигателей электровозов). Существуют В. т., в которых наряду с выпрямлением тока осуществляется умножение выпрямленного напряжения. Схемы с умножением обычно применяют в высоковольтных установках, предназначенных для испытания электрической изоляции, а также в рентгеновских установках, электронных осциллографах и т.п.

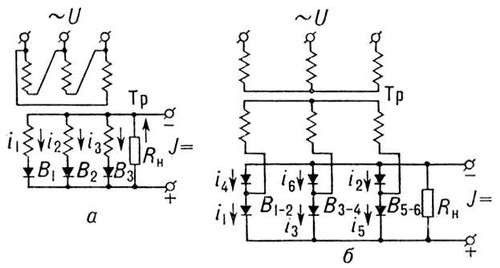
В трёхфазных цепях для питания мощных промышленных установок, во избежание несимметричности нагрузки на сеть электроснабжения, применяют схемы трёхфазных В. т. Первичная обмотка трансформатора в таких В. т. соединяется в звезду или треугольник. В зависимости от числа вторичных обмоток трансформатора различают 3-, 6-, 12-, 18-фазные и т.д. однополупериодные и мостовые выпрямители трёхфазного тока. На рис. 2, а приведена трёхфазная однополупериодная схема. Первичная обмотка трансформатора соединена треугольником, а вторичная — звездой. Фазные токи i1 , i2 , i3 выпрямляются и суммируются, образуя выпрямленный выходной ток J . В мостовой трёхфазной схеме (рис. 2 , б) обе обмотки трансформатора соединены звездой. Основные преимущества её такие же, как и у однофазных схем В. т.

Лит.: Каганов И. Л., Электронные и ионные преобразователи, ч. 1—3, М. — Л., 1950—56.

М. М. Гельман.

Рис. 2. Схемы выпрямителей трёхфазного тока: а — однополупериодная; б — двухполупериодная мостовая.

Рис. 1. Схемы выпрямителей однофазного тока: а — однополупериодная; б — двухполупернодная; в — мостовая.

Выпрямительный полупроводниковый диод

Выпрями'тельный полупроводнико'вый дио'д, двухэлектродный прибор с преимущественно односторонней (униполярной) электрической проводимостью. Выпрямительный эффект возникает на переходе металл — полупроводник или в электронно-дырочном переходе в кристалле (германий, кремний, закись меди, селен и др.), служащих основой прибора. В. п. д. применяют в электро- и радиотехнических устройствах для преобразования переменного тока (напряжения) в пульсирующий ток одной полярности (постоянный ток), т. е. для выпрямления тока, замыкания и размыкания электрических цепей, детектирования и коммутации электрических сигналов и других преобразований. См. Полупроводниковый диод .

  • Читать дальше
  • 1
  • ...
  • 17
  • 18
  • 19
  • 20
  • 21
  • 22
  • 23
  • 24
  • 25
  • 26
  • 27
  • ...

Ебукер (ebooker) – онлайн-библиотека на русском языке. Книги доступны онлайн, без утомительной регистрации. Огромный выбор и удобный дизайн, позволяющий читать без проблем. Добавляйте сайт в закладки! Все произведения загружаются пользователями: если считаете, что ваши авторские права нарушены – используйте форму обратной связи.

Полезные ссылки

  • Моя полка

Контакты

  • chitat.ebooker@gmail.com

Подпишитесь на рассылку: