Вход/Регистрация
Большая Советская Энциклопедия (ИН)
вернуться

Большая Советская Энциклопедия

Шрифт:

Инверсный каскад

Инве'рсный каска'д, фазоинверсный, или парафазный, каскад, усилительный каскад на транзисторе или электронной лампе, на выходе которого получаются 2 равных по амплитуде и противоположных по фазе (сдвинутых на 180°) электрических напряжения. И. к. применяют главным образом в двухтактных усилителях мощности колебаний звуковой частоты. См. Электрических сигналов усилитель .

Инвертирование

Инверти'рование в электроэнергетике (от лат. inverto — переворачиваю, обращаю, изменяю), превращение постоянного электрического тока в однофазный или многофазный переменный ток с помощью устройства, состоящего из управляемых вентилей электрических . И. — процесс, обратный выпрямлению.

На практике применяют схемы И. с несколькими вентилями. Потери энергии при И. зависят от падения напряжения DU в вентилях. Отношение потерь в вентиле к полезной преобразуемой мощности приближённо равно DU /U, где U — напряжение источника постоянного тока. В ртутных вентилях DU не превышает нескольких десятков в . При постоянном напряжении в несколько кв потери в вентилях при И. меньше 1%. Потери в остальных частях схемы (дроссели, конденсаторы, цепи управления) обычно не превышают нескольких процентов. Полный кпд при И. обычно выше 90%.

Инвертор

Инве'ртор 1) в технике преобразования видов электрического тока устройство для инвертирования тока или напряжения. Различают И. зависимые (ведомые электрической сетью) и автономные. В зависимых И. между источниками постоянного и переменного тока (рис. 1 ) включены управляемый вентиль В , сопротивление R и катушка индуктивности L . В режиме выпрямления (раннее зажигание вентиля) сдвиг фаз j между напряжением машины переменного тока и основной волной тока через вентиль меньше 90°. Машина переменного тока работает как генератор, а постоянного тока — как двигатель (рис. 1 , а). В режиме инвертирования (позднее зажигание вентиля) сдвиг фаз j больше 90° и машина переменного тока работает как двигатель, а постоянного тока — как генератор. Для перехода от выпрямления к инвертированию необходимо ещё изменить либо полярность напряжения со стороны постоянного тока (рис. 1 , б), либо направление тока вентиля (рис. 1 , в). Для восстановления управляемости вентиля на нём должно быть отрицательное напряжение в течение некоторого времени после прохождения импульса тока. Поэтому сдвиг фаз j при инвертировании обычно не равен 180° и в цепи переменного тока циркулирует также и реактивная мощность основной частоты, называемая мощностью сдвига.

В автономных И. (рис. 2 ) конденсатор С заряжается через дроссель D от источника постоянного тока, а затем разряжается через вентиль В и первичную обмотку трансформатора Т . В его вторичной обмотке получается чисто переменный ток.

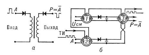
2) В вычислительной технике электронное устройство с одним входом и одним выходом, сигнал на выходе которого возникает лишь при отсутствии сигнала на входе. Применяется для реализации элементарной логической операции «НЕ». Различают И. потенциальный и импульсный. Потенциальный И. обеспечивает низкий уровень напряжения на выходе при высоком уровне на входе и наоборот (рис. 3 ). Импульсный И. инвертирует импульсные сигналы. При этом возможны два варианта: а) И., изменяющий полярность входных сигналов (рис. 4 , а); б) И., формирующий импульс на выходе при отсутствии импульсного сигнала на входе и не выдающий никакого сигнала при наличии импульса во входной цепи. При этом соотношение между полярностями входного и выходного сигналов не имеет значения (рис. 4 , б).

И. также называют решающий усилитель аналоговых вычислительных машин, используемый для осуществления преобразования вида:

хвых (t ) = — хвх (t ).

Рис. 3. Схема потенциального инвертора: а — на трёхэлектродной лампе; б — на транзисторе типа р — n — р; A — входной сигнал; Р — выходной сигнал; R — омическое сопротивление; С — конденсатор; Е — источник постоянного тока (напряжения).

Рис. 2. Схема самовозбуждающегося (автономного) инвертора.

Рис. 1. Схема преобразования тока: а — режим выпрямления; б и в — режимы инвертирования; В — вентиль; U — напряжение; R — омическое сопротивление; L — катушка индуктивности: Em — амплитуда напряжения; (w — круговая частота; t — время ).

Рис. 4. Схема импульсного инвертора: a — на импульсном трансформаторе; б — на ферритовых сердечниках; А — входной сигнал; Р — выходной сигнал; ТИ — тактовые импульсы; Uсм — смещение.

Инвеститура

Инвеститу'ра (позднелат. investitura, от лат. investio — облачаю, облекаю), в средние века в Западной Европе юридический акт передачи земельного феода (лена) , должности, сана, закреплявший вассальную зависимость (см. Вассалитет ) и сопровождавшийся символическим обрядом: передачей сеньором вассалу горсти земли, перчатки, меча, копья, знамени, скипетра и т. п. символов власти. Особым видом И. была церковная И., состоявшая в назначении на церковную должность и введении в сан; сопровождалась двумя актами: вручением посоха и кольца, символизировавших духовную власть, и передачей земельного владения и скипетра — символа светской власти. До конца 11 в. право церковной И. фактически принадлежало светской власти (в Англии королю, в «Священной Римской империи» — императору). В конце 11 в. с притязаниями на исключительное право церковной И. выступило папство. Папа Григорий VII, рассматривавший подчинение западноевропейского духовенства своей власти как первый шаг к осуществлению политического главенства римской курии над странами Западной Европы, запретил в 1075 императору давать И. прелатам. Между империей и папством началась так называемая борьба за инвеституру (1076), которая переплеталась с выступлениями светской и церковной знати против попыток Генриха IV укрепить королевскую власть в Германии. Немецкие епископы сопротивлялись попыткам как императора, так и папы ограничить их самостоятельность. В ожесточённой и длительной борьбе, критическим эпизодом которой была Каносса (1077), ни той, ни другой стороне не удалось одержать победу. Лишь в 1122 был заключён компромиссный Вормсский конкордат. Избранные капитулами прелаты получали духовную И. от папы, а светскую от императора. В Германии обеспечивалось участие императора в избрании прелатов, которым сразу же давалась светская И.; в Италии и Бургундии император был лишён участия в избрании прелатов и давал им светскую И. лишь 6 месяцев спустя. Вормсский конкордат был всё же более выгоден папе, чем императору: он закреплял фактическое крушение так называемой епископальной системы, являвшейся со времени Оттона I (936—973) орудием королевской власти. Длительная борьба за И. способствовала усилению самостоятельности церковных и светских князей в Германии.

Спор об И. распространился и на другие страны Западной Европы, хотя нигде не принял таких острых форм, как в империи. Конфликт королевской власти с папством в Англии и Франции закончился (во Франции в 1104, в Англии в 1107) компромиссом: короли отказались от И. кольцом и посохом, но сохранили право передачи владений епископам и фактически продолжали оказывать влияние на их выборы.

Лит.: Bernheim Е., Quellen zur Geschichte des Investiturstreites, Tl 1—2, Lpz. — В., 1913—14; Brooke Z. N., Lay investiture, and its relation to the conflict of impire and papacy, Oxf., 1939.

  • Читать дальше
  • 1
  • ...
  • 3
  • 4
  • 5
  • 6
  • 7
  • 8
  • 9
  • 10
  • 11
  • 12
  • 13
  • ...

Ебукер (ebooker) – онлайн-библиотека на русском языке. Книги доступны онлайн, без утомительной регистрации. Огромный выбор и удобный дизайн, позволяющий читать без проблем. Добавляйте сайт в закладки! Все произведения загружаются пользователями: если считаете, что ваши авторские права нарушены – используйте форму обратной связи.

Полезные ссылки

  • Моя полка

Контакты

  • chitat.ebooker@gmail.com

Подпишитесь на рассылку: