Вход/Регистрация
Большая Советская Энциклопедия (ИЗ)
вернуться

Большая Советская Энциклопедия

Шрифт:

Измери'тельный прибо'р, средство измерений, дающее возможность непосредственно отсчитывать значения измеряемой величины. В аналоговых И. п. отсчитывание производится по шкале, в цифровых — по цифровому отсчётному устройству. Показывающие И. п. предназначены только для визуального отсчитывания показаний, регистрирующие И. п. снабжены устройством для их фиксации, чаще всего на бумаге. Регистрирующие И. п. подразделяются на самопишущие, позволяющие получать запись показаний в виде диаграммы, и печатающие, обеспечивающие печатание показаний в цифровой форме. В И. п. прямого действия (например, манометре, амперметре) осуществляется одно или несколько преобразований измеряемой величины и значение её находится без сравнения с известной одноимённой величиной. В И. п. сравнения непосредственно сравнивается измеряемая величина с одноимённой величиной, воспроизводимой мерой (примеры — равноплечные весы , электроизмерительный потенциометр , компаратор для линейных мер). К разновидностям И. п. относятся интегрирующие И. п., в которых подводимая величина подвергается интегрированию по времени или по другой независимой переменной (электрические счётчики, газовые счётчики), и суммирующие И. п., дающие значение двух или нескольких величин, подводимых по различным каналам (ваттметр , суммирующий мощности нескольких электрических генераторов).

В целях автоматизации управления технологическими процессами И. п. часто снабжаются дополнительными регулирующими, счётно-решающими и управляющими устройствами, действующими по задаваемым программам.

К. П. Широков.

Измерительный трансформатор

Измери'тельный трансформа'тор, электрический трансформатор, на первичную обмотку которого воздействует измеряемый ток или напряжение, а вторичная, понижающая, включена на измерительные приборы и реле защиты. И. т. применяют главным образом в распределительных устройствах и в цепях переменного тока высокого напряжения для безопасных измерений силы тока, напряжения, мощности, энергии. На случай повреждения изоляции со стороны высокого напряжения один из зажимов вторичной обмотки заземляют. С помощью И. т. можно измерять различные значения электрических величин электроизмерительными приборами (вольтметром , амперметром , ваттметром ), имеющими пределы до 100 в и 5 а. Различают И. т. напряжения (для включения вольтметров, частотомеров, параллельных цепей ваттметров, счётчиков, фазометров и реле напряжения) и И. т. тока (для включения амперметров, последовательных цепей ваттметров, счётчиков, фазометров и реле тока). Схемы включения И. т. в электрическую цепь показаны на рис. 1 и 2 .

К зажимам первичной обмотки И. т. напряжения (рис. 1 ) подводится измеряемое напряжение U1 ; обмотка W1 включается параллельно нагрузке. Вторичное напряжение U2 с обмотки W2 подаётся на вольтметр или цепи напряжения измерительных приборов и реле защиты. Точность измерения характеризуется погрешностью в %, которая определяет точность передачи амплитуды измеряемого напряжения, и угловой погрешностью в градусах, равной углу между вектором первичного и повёрнутым на 180° вектором вторичного напряжения и определяющей точность передачи фазы. Большинство высоковольтных И. т. напряжения изготовляют секционированными с масляным наполнителем.

Первичная обмотка И. т. тока W1 (рис. 2 ) включается последовательно в контролируемую электрическую цепь переменного тока I1, а вторичная обмотка W2 — в последовательную цепь амперметра или других измерительных приборов. Точность И. т. тока характеризуется выраженным в % отношением разности значений приведённого вторичного тока и действительного первичного тока к действительному значению первичного тока.

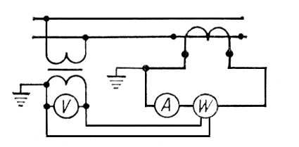
Для измерения мощности в цепи высокого напряжения с помощью ваттметра необходимы как И. т. тока, так и И. т. напряжения (рис. 3 ).

Для измерений в цепях постоянного тока большой силы или высокого напряжения применяют И. т. постоянного тока особой конструкции (рис. 4 ). Действие такого И. т. основано на насыщении сердечников из ферромагнетика при небольших напряжённостях магнитного поля, в результате чего среднее значение переменного тока во вспомогательной обмотке становится зависимым от измеряемого постоянного тока.

Лит.: Электрические измерения. Общий курс, под ред. А. В. Фремке, 2 изд., М. — Л., 1954; Арутюнов В. О., Электрические измерительные приборы и измерения, М. — Л., 1958.

Рис. 3. Схема включения ваттметра в однофазную цепь высокого напряжения через измерительные трансформаторы тока и напряжения: V — вольтметр; А — амперметр; W — ваттметр.

Рис. 2б. Измерительный трансформатор тока. Трансформатор тока на 115 кв .

Рис. 1б. Измерительный трансформатор напряжения. Трансформатор напряжения на 400 кв .

Рис. 4. Схема измерительного трансформатора постоянного тока: 1 — сердечник; 2 — шина (провод постоянного тока); 3 — вспомогательная обмотка; 4 — диоды выпрямительного моста; Ф — магнитный поток; В — выпрямитель; А — амперметр; W1 — первичная обмотка (шина); U ~ — вспомогательный источник переменного тока; I — измеряемый ток.

Рис. 2а. Измерительный трансформатор тока. Схема включения.

Измерительный трансформатор напряжения. Схема включения.

Измерительный усилитель

Измери'тельный усили'тель, см. Электрических сигналов усилитель .

Измир

Изми'р (тур. Izmir), город на З. Турции; административный центр вилайета Измир. Расположен на побережье Измирского залива Эгейского моря. 521 тыс. жителей (1970). И. основан как колония греков-эолийцев во 2-м тысячелетии до н. э. и назван Смирна (греч. Sm'yrne). В 6 в. до н. э. был разрушен царём Лидии Алиаттом; в 4 в. до н. э. отстроен заново (к Ю.—З. от места расположения старого города и ближе к морю). С 15 в. Смирна (тур. И.) — в составе Османской империи; город превратился, особенно с конца 18 в., в один из экономических и культурных центров. 15 мая 1919 (во время греко-турецкой войны 1919—22 ) был оккупирован греческими войсками; 9 сентября 1922 освобожден. После 2-й мировой войны 1939—45 Измирский порт превращен в военно-морскую базу. В И. находится штаб командования сухопутными силами НАТО в Юго-Восточной Европе.

  • Читать дальше
  • 1
  • ...
  • 34
  • 35
  • 36
  • 37
  • 38
  • 39
  • 40
  • 41
  • 42
  • 43
  • 44
  • ...

Ебукер (ebooker) – онлайн-библиотека на русском языке. Книги доступны онлайн, без утомительной регистрации. Огромный выбор и удобный дизайн, позволяющий читать без проблем. Добавляйте сайт в закладки! Все произведения загружаются пользователями: если считаете, что ваши авторские права нарушены – используйте форму обратной связи.

Полезные ссылки

  • Моя полка

Контакты

  • chitat.ebooker@gmail.com

Подпишитесь на рассылку: