Вход/Регистрация
Встраиваемые системы. Проектирование приложений на микроконтроллерах семейства 68HC12/HCS12 с применением языка С
вернуться

Пак Дэниэл Дж.

Шрифт:

Флаг SCF может быть сброшен тремя способами:

• Программной установкой бита SCF в 1 (обычный способ);

• Программным запуском новой измерительной последовательности посредством записи в регистр ATDCTL5;

• Чтением регистра результата при установленном флаге разрешения режима быстрого сброса AFFC в регистре ATDCTL2.

Регистр состояния ATDSTAT1

Регистр состояния ATDSTAT1 — также однобайтовый регистр состояния. Содержит биты CCF7…CCF0, которые устанавливаются, когда в процессе выполнения измерительной последовательности произошла запись в одноименный регистр результата.

Регистр разрешения цифрового входа порта ATDDIEN

Регистр ATDDIEN содержит восемь битов IENn (n — номер канала). Если бит IENn равен 1, то соответствующая линия порта AD работает в режиме обычной линии ввода (цифровой ввод), при IENn = 0 линия порта AD с номером n работает в режиме аналогового ввода.

4.24. Подсистема широтно-импульсной модуляции

Микроконтроллер 68HC912B32 и все МК семейства HCS12 имеют в своем составе модуль широтно-импульсного модулятора PWM (Pulse Width Modulation). Широтно-импульсная модуляция (ШИМ) — это способ регулирования скорости вращения двигателя постоянного тока посредством изменения среднего значения напряжения, приложенного к обмоткам двигателя. ШИМ-сигнал может также использоваться для изменения направления движения радиоуправляемой модели автомобиля.

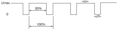
Среднее значение напряжения на обмотках двигателя определяется отношением длительности импульса напряжения (состояние «on» на рис. 4.94) к длительности периода следования импульсов. Это отношение называют коэффициентом заполнения , который является величиной безразмерной. Например, если коэффициент заполнения равен 80%, то длительность импульса напряжения (состояние «on») составляет 80%, а длительность паузы (состояние «off») — 20% от длительности периода следования импульсов. На рис. 4.94 показана форма напряжения на обмотках двигателя постоянного тока при двух значениях коэффициента заполнения = 20% и = 80%.

а) Коэффициент заполнения — 20%

б) Коэффициент заполнения — 80%

Рис. 4.94. Временные диаграммы ШИМ-сигналов с различными коэффициентами заполнения

Рисунок 4.95 иллюстрирует способ управления двигателем постоянного тока с использованием ШИМ. Если коэффициент заполнения = 80%, то к обмоткам двигателя будет приложено среднее напряжение, равное 80% от напряжения сети постоянного тока Udc. Если коэффициент заполнения равен 100%, то это означает, что полупроводниковые ключи, используемые для коммутации напряжения к обмоткам двигателя, включены постоянно, и напряжение на обмотках двигателя не имеет импульсной формы. Отметим, что предельная нагрузочная способность выходов МК 68HC12/HCS12 недостаточна для коммутации токов и напряжений обмоток двигателя постоянного тока. Поэтому на выходах МК может быть воспроизведен только маломощный ШИМ-сигнал для управления двигателем, который затем должен быть усилен посредством специального полупроводникового коммутатора. Пример такого коммутатора будет рассмотрен в главе 5.

Рис. 4.95. Управление электрическим двигателем методом ШИМ

Широтно-импульсная модуляция используется не только для управления двигателем. Она имеет множество применений в технике управления различного рода исполнительными механизмами, в том числе в параграфе 4.24.5 будет рассмотрен пример формирования сигнала управления для серводвигателя, который приводит в движение рулевой механизм радиоуправляемой модели автомобиля.

Рис. 4.96. Использование ШИМ для поворота рулевого колеса радиоуправляемой модели автомобиля.

4.24.1. Структура модуля PWM

Для генерации модулированных по длительности импульсных сигналов средствами модуля PWM необходимо рассчитать временные параметры этих сигналов в относительных единицах. Единицей измерения времени для модуля PWM служит период следования импульсов сигнала E_CLOCK, который является первичным сигналом тактирования программируемых делителей частоты и счетчиков в составе модуля PWM. Частота импульсной последовательности E_CLOCK равна частоте системной шины МК. Поскольку частота системной шины МК для каждого нового проекта выбирается разработчиком по совокупности технических требований к изделию, то для каждого проектируемого изделия длительность кванта времени модуля PWM может оказаться различной.

После того, как временные параметры генерируемых сигналов, выраженные в числе периодов E_CLOCK, подсчитаны, следует загрузить их в регистры периода PWPERx и регистры коэффициента заполнения PWDTYx (x — номер канала модуля PWM, x = 0…3).

Модуль PWM имеет в своем составе четыре канала, которые могут генерировать на своих выходах ШИМ-сигналы с независимыми временными параметрами. Каждый канал состоит из двоичного 8-разрядного счетчика PWCNTx с системой предварительных делителей, двух схем сравнения и двух программно доступных регистров PWPERx и PWDTYx. Если работа канала разрешена, то счетчик канала PWCNTx считает непрерывно. Код в счетчике PWCNTx нарастает с $00 до значения, которое записано в регистр периода PWPERx. В момент сравнения счетчик автоматически сбрасывается, и счет продолжается, начиная с кода $00. Код счетчика PWCNTx непрерывно сравнивается с кодом регистра коэффициента заполнения PWDTYx. Если код в регистре PWDTYx превышает текущий код счетчика PWCNTx, то на выходе канала формируется логический сигнал высокого уровня. В момент, когда код счетчика превысит код в регистре коэффициента заполнения, на выходе установится низкий логический уровень (рис. 4.97).

Рис. 4.97. Временная диаграмма, поясняющая формирование ШИМ-сигнала в модуле PWM. 

Импульсная последовательность E_CLOCK, частота которой равна частоте системной шины, является базовой для тактирования всех каналов модуля PWM. Система тактирования модуля состоит из нескольких программируемых делителей, которые позволяют расширить диапазон частот генерируемых ШИМ-сигналов. Включение дополнительных делителей частоты между входом E_CLOCK модуля и счетчиком текущего кода канала PWCNTx приведет к изменению единицы измерения временных интервалов для данного канала. Поэтому коды периода следования и коэффициента заполнения должны быть пересчитаны в соответствии с суммарным коэффициентом деления программируемых делителей.

  • Читать дальше
  • 1
  • ...
  • 102
  • 103
  • 104
  • 105
  • 106
  • 107
  • 108
  • 109
  • 110
  • 111
  • 112
  • ...

Ебукер (ebooker) – онлайн-библиотека на русском языке. Книги доступны онлайн, без утомительной регистрации. Огромный выбор и удобный дизайн, позволяющий читать без проблем. Добавляйте сайт в закладки! Все произведения загружаются пользователями: если считаете, что ваши авторские права нарушены – используйте форму обратной связи.

Полезные ссылки

  • Моя полка

Контакты

  • chitat.ebooker@gmail.com

Подпишитесь на рассылку: