Вход/Регистрация
Отопление и водоснабжение загородного дома
вернуться

Смирнова Людмила Николаевна

Шрифт:

– контрольной трубы, которая присоединена к раковине;

– циркуляционной трубы, служащей для отвода воды в отопительную систему.

Рис. 40. Открытый демпфер: 1 – расширительный патрубок; 2 – переливной патрубок; 3 – контрольная труба; 4 – циркуляционный патрубок; 5 – спускной патрубок с пробкой

На контрольной трубе обязательно устанавливают запорный кран. С его помощью можно контролировать наличие воды в демпфере и в системе отопления. Если при открытом кране будет вытекать вода, значит, в баке вода тоже есть.

Расширительный бак закрытого исполнения

В загородных домах применяют, как правило, закрытые отопительные системы с принудительной циркуляцией теплоносителя. Для таких систем используют расширительные баки закрытого исполнения, или мембранные демпферы. С магистралью бак соединяется с помощью специального штуцера.

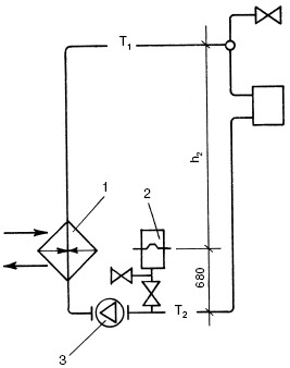
Рис. 41. Схема монтажа закрытого мембранного расширительного бака: 1 – теплообменник; 2 – расширительный бак; 3 – циркуляционный насос

Устанавливают такие баки в котельной и подключают к обратной магистрали перед циркуляционным насосом. На рис. 41 показан вариант такого подключения.

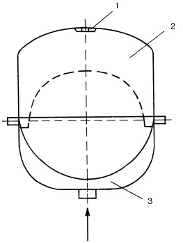
Расширительный бак закрытого исполнения – это сосуд, разделенный мембраной на две камеры – водяную и газовую (воздушную). В воздушной камере под давлением находится газ или воздух, а другая соединена с системой отопления (рис. 42).

Мембранные демпферы бывают горизонтального и вертикального исполнения. Конструктивно они изготавливаются разъемными и неразъемными. Первая из форм предусматривает возможность замены мембраны в процессе эксплуатации бака.

Рис. 42. Закрытый мембранный расширительный бак: 1 – воздушный клапан; 2 – пространство для газа; 3 – мембрана

Некоторые модели мембранных баков снабжаются элементами контроля и автоматизации. Объем расширительного мембранного бака выбирается в зависимости от потребления воды, объема магистрали отопления, мощности насоса, подающего воду в магистраль, а также ряда других параметров.

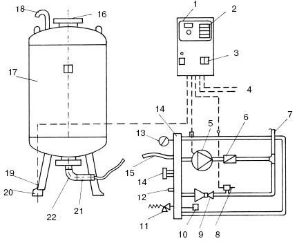
Если загородный дом потребляет большое количество воды, то для его отопления используют установку с управляющим насосом, который поддерживает постоянное избыточное давление в системе (рис. 43).

Рис. 43. Установка с управляющим насосом: 1 – пульт управления; 2 – выбор операций; 3 – основной выключатель; 4 – датчик сбоя системы; 5 – усиливающий насос; 6 – обратный клапан; 7 – подключение к системе; 8 – датчик давления; 9 – перепускной клапан; 10 – сливной кран; 11 – клапан предохранительный; 12 – подключение подпитки; 13 – манометр; 14 – распределительный коллектор; 15 – гибкое соединение; 16 – удаление воздуха из воздушной камеры; 17 – воздушный крюк; 18 – накопительная емкость; 19 – датчик измерения объема воды; 20 – масляный динамометр; 21 – подсоединение емкости; 22 – кран слива

Когда вода нагревается, открывается перепускной клапан установки и вода подается в накопительную емкость. Когда вода остывает, включается насос, закачивающий воду из накопительного бака в систему отопления. Таким образом поддерживается постоянное давление.

Расширительный мембранный бак обладает целым рядом преимуществ:

• установить его можно в любом месте дома;

• вода не контактирует с воздухом, что благоприятно сказывается на работе отопительного оборудования;

• в системе практически не бывает воздушных пузырей (из-за избыточного давления в верхней точке отопительной системы);

• высокая экономичность.

Теплопроводы

Теплопровод представляет собой все трубы, которые используются для подачи нагретого теплоносителя в отопительные приборы, а также для вывода охлажденного теплоносителя из них. Теплопроводы имеют в своем составе:

• магистрали;

• стояки;

• горизонтальные ветви;

• подводки.

Теперь немного подробнее о каждой группе трубопроводов.

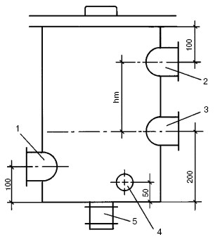
Магистраль – это труба, которая соединяет между собой водогрейный котел и стояк. Магистраль располагается в зависимости от конфигурации отопительной системы (рис. 44). Помимо этого, следует учитывать тип, назначение и ширину здания.

Горизонтальные отопительные системы могут иметь верхнюю и нижнюю разводку. В первом случае подающая магистраль располагается выше отопительных приборов, во втором – ниже.

Рис. 44. Теплопроводы горизонтальных (а, б) и вертикальных (в, г, д) систем водяного отопления: 1, 2 – подающие (Т1) и обратные (Т2) магистрали; 3, 4 – подающие и обратные стояки; 5, 6 – подающие и обратные подводки; 7 – отопительные приборы; 8 – однотрубные ветви; 9 – бифилярные ветви; 10 – стояк; 11 – ветви

  • Читать дальше
  • 1
  • ...
  • 22
  • 23
  • 24
  • 25
  • 26
  • 27
  • 28
  • 29
  • 30
  • 31
  • 32
  • ...

Ебукер (ebooker) – онлайн-библиотека на русском языке. Книги доступны онлайн, без утомительной регистрации. Огромный выбор и удобный дизайн, позволяющий читать без проблем. Добавляйте сайт в закладки! Все произведения загружаются пользователями: если считаете, что ваши авторские права нарушены – используйте форму обратной связи.

Полезные ссылки

  • Моя полка

Контакты

  • chitat.ebooker@gmail.com

Подпишитесь на рассылку: