Вход/Регистрация
Большая Советская Энциклопедия (ДИ)
вернуться

Большая Советская Энциклопедия

Шрифт:

Ce = C'– С". (1)

Различные резонансные методы отличаются друг от друга по способу определения tg d. В методе замещения диэлектрик заменяется эквивалентной схемой, состоящей из ёмкости и сопротивления. Подбирается такое сопротивление R, которое, будучи включено последовательно или параллельно образцовому конденсатору С, ёмкость которого берётся равной ёмкости диэлектрика Сe, даёт такой же резонансный ток в контуре, как и образец диэлектрика. Метод расстройки контура основан на том, что ширина резонансной кривой контура определяется его добротностью Q, связанной с тангенсом угла потерь диэлектрика соотношением:

tg d = 1/Q. (2)

Ёмкость и диэлектрические потери определяют также методом куметра. В данной области частот можно применять также метод биений.

В области сверхвысоких частот (от 108 до 1011гц) Д. и. основаны на использовании объёмных резонаторов и радиоволноводов, а также на закономерностях распространения электромагнитных волн в свободном пространстве. В случае газообразных диэлектриков измеряют резонансную частоту w и добротность Q объёмного резонатора (рис. 3), когда в нём создан вакуум, и те же величины we и Qe, когда он целиком заполнен диэлектриком. При этом имеют место соотношения:

В случае жидких и твёрдых диэлектриков, если они целиком заполняют резонатор, получаются гораздо большие изменения резонансной частоты и добротности. Кроме того, если диэлектрические потери велики, то добротность резонатора становится весьма малой величиной. Это нарушает справедливость формул (3) и (4). Поэтому применяют частичное заполнение резонатора диэлектриком, чаще всего имеющим форму диска или стержня.

Другой метод Д. и. в области СВЧ состоит в том, что в радиоволноводе устанавливаются бегущая или стоячая электромагнитные волны. Для волновода, заполненного диэлектриком, длина волны le равна:

где l — длина волны в свободном пространстве, lкр — критическая (предельная) длина волны, зависящая от типа волн и размеров поперечного сечения волновода. Из формулы (5) можно определять e. При введении диэлектрика в волновод изменяются условия распространения волн и происходит поглощение энергии электромагнитного поля. Это позволяет определить tg d.

Существуют два основных метода измерения e и tg d с помощью волновода. Первый основан на наблюдении картины стоячих волн в волноводе, нагружённом известным сопротивлением. Второй — на наблюдении поглощения волн, проходящих через диэлектрик. В случае газов, которые имеют e » 1 и малые диэлектрические потери, e и tg d определяют с помощью установки, схематически изображённой на рис. 3. В среднем участке волновода, отгороженном слюдяными окнами, создаётся вакуум, а затем туда вводится газ. При этом в согласии с формулой (5) длина волны уменьшается и положение минимумов стоячей волны смещается. Д. и. жидкостей и твёрдых тел, имеющих e ¹ 1, осложняются отражением волн на границе воздух — диэлектрик. В этих условиях наблюдают картину стоячих волн на входе заполненного диэлектриком волновода с помощью измерительной линии. В области миллиметровых, инфракрасных и световых волн измеряют коэффициент отражения или преломления и коэффициент поглощения диэлектрика, откуда находят e и tg d.

Методы измерения удельной электропроводности диэлектриков s в постоянном поле существенно не отличаются от аналогичных методов для металлов и полупроводников. Для точных измерений очень малых s используют постоянного тока усилитель.

Измерения электрической прочности Епр основаны на измерении напряжения Vnp, которое соответствует наступлению диэлектрического пробоя:

Епр = Vпр/d, (6)

где d — расстояние между электродами.

Лит.: Сканави Г. И., Диэлектрическая поляризация и потери в стеклах и керамических материалах с высокой диэлектрической проницаемостью, М. — Л., 1952; Карандеев К. Б., Мостовые методы измерений, К., 1953; Хиппель А. Р., Диэлектрики и их применение, пер. с англ., М. — Л., 1959; Браун В., Диэлектрики, пер. с англ., М., 1961; Измерения на сверхвысоких частотах, пер. с англ., под ред. В. Б. Штейншлейгера, М., 1952.

А. Н. Губкин.

Рис. 3. Волноводные установки для измерения e и tgd газов.

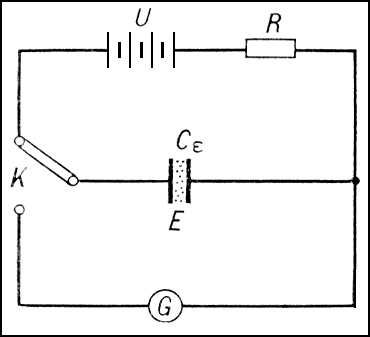
Рис. 1. Измерения диэлектрической проницаемости при помощи баллистического гальванометра G.

Рис. 2. Измерения ёмкости Сe и диэлектрической проницаемости e резонансным методом. Катушка индуктивности L и образцовый конденсатор С образуют замкнутый контур, слабо связанный с генератором переменного тока.

Диэлектрические потери

Диэлектри'ческие поте'ри, часть энергии переменного электрического поля в диэлектрической среде, которая переходит в тепло. При изменении значения и направления напряжённости Е электрического поля диэлектрическая поляризация также меняет величину и направление (см. Диэлектрики); за время одного периода переменного поля поляризация дважды устанавливается и дважды исчезает. Если диэлектрик построен из молекул, которые представляют собой диполи (полярные молекулы) или содержит слабо связанные ионы, то ориентация таких частиц или смещение в электрическом поле (ориентационная поляризация) требуют определённого времени (время релаксации). В результате максимум поляризации не совпадает во времени с максимумом напряжённости поля, т. е. имеется сдвиг фаз между напряжённостью поля и поляризацией. Благодаря этому имеется также сдвиг фаз между напряжённостью электрического поля Е и электрической индукцией D, который и обусловливает потери энергии We. Переходя к векторному изображению величин, можно сказать, что вектор электрической индукции отстаёт от вектора электрического поля на некоторый угол d, который носит название угла диэлектрических потерь. Когда молекулы или ионы ориентируются полем, они испытывают соударения с др. частицами, при этом рассеивается энергия. Если время релаксации t во много раз больше, чем период Т изменения приложенного поля, то поляризация почти не успевает развиться и Д. п. очень малы. При малых частотах, когда время релаксации t значительно меньше периода Т, поляризация следует за полем и Д. п. также малы, т.к. мало число переориентаций в единицу времени. Д. п. имеют максимальное значение, когда выполняется равенство w = 1/t, где w — круговая частота электрического поля: w = 2p/T.

  • Читать дальше
  • 1
  • ...
  • 167
  • 168
  • 169
  • 170
  • 171
  • 172
  • 173
  • 174

Ебукер (ebooker) – онлайн-библиотека на русском языке. Книги доступны онлайн, без утомительной регистрации. Огромный выбор и удобный дизайн, позволяющий читать без проблем. Добавляйте сайт в закладки! Все произведения загружаются пользователями: если считаете, что ваши авторские права нарушены – используйте форму обратной связи.

Полезные ссылки

  • Моя полка

Контакты

  • chitat.ebooker@gmail.com

Подпишитесь на рассылку: