Вход/Регистрация
Большая Советская Энциклопедия (ЭЛ)
вернуться

Большая Советская Энциклопедия

Шрифт:

В электромагнитном РД рабочим телом является плазма любого вещества, ускоряемая за счёт силы Ампера в скрещенных электрическом и магнитном полях. Различают ЭРД с внешним и собственным магнитным полем. К первым относятся классические Е-Н ускорители плазмы и т. н. холловские ЭРД с замкнутым дрейфом электронов; во-вторых, магнитное поле создаётся током, протекающим в ускоряемой плазме; они подразделяются на импульсные и квазистационарные ЭРД. Рабочий цикл импульсного ЭРД соответствует периоду электрического пробоя РТ (обычно фторопласта), при котором создаётся плазма; начальный потенциал пробоя — несколько кв, удельный импульс 40—100 (кн ·сек )/кг, плотность тяги 10– 9 —10– 8н/м2, число циклов ЭРД достигает 1 млн. В квазистационарном ЭРД с целью создания сильного магнитного поля через РТ пропускается ток силой в десятки ка и напряжением в десятки в. Удельный импульс составляет 30—50 (кн ·сек )/кг, плотность тяги несколько кн/м2, время работы — десятки ч. О типах плазменных ЭРД и методах создания плазмы в них см. в ст. Плазменные ускорители .

Ограниченное применение ЭРД связано с необходимостью большого расхода электроэнергии (10—100 квт на 1 н тяги). Из-за наличия бортовой энергоустановки (и др. вспомогательных систем), а также из-за малой плотности тяги аппарат с ЭРД имеет малое ускорение. Поэтому ЭРД могут быть использованы только в космических летательных аппаратах (КЛА), совершающих полёт либо в условиях слабых гравитационных полей, либо на околопланетных орбитах. Они применяются для ориентации, коррекции орбит КЛА и др. операций, не требующих больших затрат энергии. Электростатические, плазменные холловские и др. ЭРД рассматриваются как перспективные в качестве основных двигателей КЛА. Из-за малой отбрасываемой массы РТ время непрерывной работы таких ЭРД будет измеряться месяцами и годами; их использование вместо существующих химических РД позволит увеличить массу полезного груза КЛА.

Идея использования электрической энергии для получения тяги выдвигалась ещё К. Э. Циолковским и другими пионерами космонавтики. В 1916—17 Р. Годдард (США) подтвердил опытами реальность этой идеи. В 1929—33 В. П. Глушко (СССР) создал экспериментальный ЭРД. В 1964 в СССР на КЛА типа «Зонд» испытаны плазменные импульсные РД, в 1966—71 на КЛА «Янтарь» — ионные РД, в 1972 на КЛА «Метеор» — плазменные квазистационарные РД. Различные типы ЭРД испытаны начиная с 1964 в США: в баллистическом, а затем в космическом полёте (на аппаратах АТС, СЕРТ-2 и др.). Работы в этой области ведутся также в Великобритании, Франции, ФРГ, Японии.

Лит.: Корлисс У. Р., Ракетные двигатели для космических полетов, пер. с англ., М., 1962; Штулингер Э., Ионные двигатели для космических полетов, пер. с англ.. М., 1966; Гильзин К. А., Электрические межпланетные корабли, 2 изд., М., 1970; Гуров А. Ф., Севрук Д. Д., Сурнов Д. Н., Конструкция и расчет на прочность космических электроракетных двигателей, М., 1970; Фаворский О. Н., Фишгойт В, В., Янтовский Е. И., Основы теории космических электрореактивных двигательных установок, М., 1970; Гришин С. Д., Лесков Л. В., Козлов Н. П., Электрические ракетные двигатели, М., 1975.

Ю. М. Трушин.

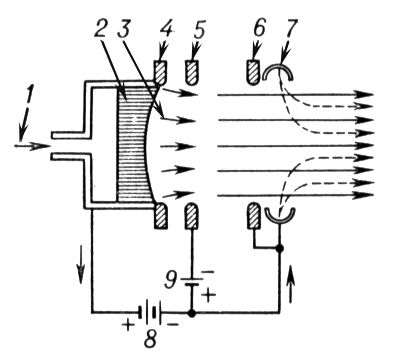
Рис. 3. Схема электростатического (ионного) двигателя: 1 — подвод рабочего тела; 2 — ионизатор; 3 — пучок ионов; 4 — фокусирующий электрод; 5 — ускоряющий электрод; 6 — замедляющий электрод; 7 — нейтрализатор; 8 — основной источник энергии; 9 — вспомогательный источник энергии.

Рис. 1. Схема электротермического двигателя с поверхностным нагревателем: 1 — подвод рабочего тела; 2 — камера нагрева и сопло (вольфрам); 3 — нагревающий элемент (вольфрамовая проволока): 4 — опора нагревающего элемента. Рис. 2. Схема электротермического двигателя с нагревом при помощи дугового разряда: 1 — подвод рабочего тела; 2 — катод (вольфрам); 3 — анод (вольфрам); 4 — сопло (вольфрам); 5 — резьбовая втулка.

Электрический сом

Электри'ческий сом (Malapterurus electricus), рыба подотряда сомовидных. Длина тела 20—65 см, иногда до 1 м. Спинного плавника нет, есть жировой; брюшные плавники на середине тела, грудные не имеют колючек. 3 пары усиков. Глаза маленькие, светятся в темноте. Жаберная щель очень узкая, нёбные зубы отсутствуют. Есть электрические органы . Э. с. малоподвижен, всеяден. Условия размножения плохо изучены. Обитает в Ниле и некоторых других реках тропической Африки. Разводится в аквариумах. Мясо Э. с. употребляют в пищу.

Лит.: Жизнь животных, т. 4, ч. 1, М., 1971.

Рис. к ст. Электрический сом.

Электрический стул

Электри'ческий стул, специально оборудованное кресло для приведения в исполнение приговора о смертной казни путём использования электрического тока высокого напряжения. Применяется в 24 штатах США, а также на Филиппинах. В США казнь на Э. с. введена в 1889 как якобы «наиболее человечный и лёгкий способ казни». Впервые применена 6 августа 1890 в Обернской тюрьме штата Нью-Йорк. Утверждения о безболезненности и мгновенности наступления смерти, а тем самым и «гуманности» этого вида казни не соответствуют действительности.

Электрический ток

Электри'ческий ток, упорядоченное (направленное) движение электрически заряженных частиц или заряженных макроскопических тел. За направление тока принимают направление движения положительно заряженных частиц; если ток создаётся отрицательно заряженными частицами (например, электронами), то направление тока считают противоположным направлению движения частиц.

Различают Э. т. проводимости, связанный с движением заряженных частиц относительно той или иной среды (т. е. внутри макроскопических тел), и конвекционный ток — движение макроскопических заряженных тел как целого (например, заряженных капель дождя).

  • Читать дальше
  • 1
  • ...
  • 16
  • 17
  • 18
  • 19
  • 20
  • 21
  • 22
  • 23
  • 24
  • 25
  • 26
  • ...

Ебукер (ebooker) – онлайн-библиотека на русском языке. Книги доступны онлайн, без утомительной регистрации. Огромный выбор и удобный дизайн, позволяющий читать без проблем. Добавляйте сайт в закладки! Все произведения загружаются пользователями: если считаете, что ваши авторские права нарушены – используйте форму обратной связи.

Полезные ссылки

  • Моя полка

Контакты

  • chitat.ebooker@gmail.com

Подпишитесь на рассылку: