Вход/Регистрация
Интернет-журнал "Домашняя лаборатория", 2007 №5
вернуться

Журнал «Домашняя лаборатория»

Шрифт:

15. Каскад с необычным включением по постоянному току.

Входное сопротивление такого каскада достаточно низкое.

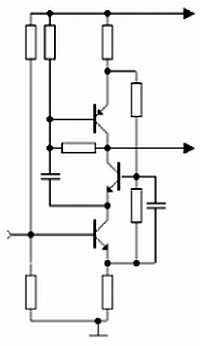
16. Каскод с применением фототранзистора.

17. Простое устройство сложения и вычитания двух сигналов.

При подаче одинаковых сигналов на вых.2 напряжение должно отсутствовать, в противном случае нужно подобрать резистор R7.

18. Смешанный каскод

19. Каскод с двухполярным питанием.

20. Каскод с коэффициентом усиления 50 и с полосой пропускания 0…1 мГц.

Входная ёмкость — не более 20 пФ.

21. Широкополосный каскод с нейтрализацией входной ёмкости с помощью линейной следящей связи.

Входная ёмкость — около 0.1 пф.

Каскад с эмиттерными (истоковыми) связями. Дифкаскад

1. Упрощённые схемы каскадов с комбинированными связями:

Одно из основных достоинств таких каскадов состоит в том, что выходная цепь таких усилительных каскадов благодаря низкоомной связи (низкоомного выходного каскада с ОК с низкоомным входным каскадом с ОБ) слабо связана с входной. Очевидно, что в таких схемах эффект Миллера отсутствует.

Входное сопротивление каскада на биполярных транзисторах (без учёта входного делителя) равно входному сопротивлению каскада с ОК:

Rвх = rб + (1 + h21э)h11б2

Входное сопротивление каскада с полевым транзистором на входе определяется, в основном, входным делителем.

Выходное сопротивление соответствует выходному сопротивлению каскада с ОБ (О3).

Коэффициент усиления по напряжению равен произведению коэффициентов передачи каскадов с ОК (ОИ) и с ОБ (ОЗ), а так как коэффициент передачи каскада ОК (ОИ) примерно равен единице, то по существу коэффициент усиления определяется вторым множителем. Таким образом входные и выходные и выходные параметры таких каскадов соответствуют параметрам каскадов с ОК (ОС) и ОБ (ОЗ) соответственно.

2. Пример использования каскада для усиления сигналов ВЧ.

3. Широкополосный генератор.

При изменении резистора R1 в пределах 50 МОм…10 кОм имеет перестройку частоты выходного сигнала от 100 Гц до 400 кГц.

4. Высокочастотный генератор.

Период следования импульсов T = 3,1RC; частота — до 50 МГц.

5. Пример применения каскада с эмиттерными связями в фазовом детекторе.

6. Простейший балансный преобразователь частоты.

Достоинства:

1. Компенсация всех синфазных помех, в той числе сигнала гетеродина и его шумов;

2. Компенсация чётных гармоник, что приводит к уменьшению числа побочных каналов.

Более сложные смесители выпускаются в микросхемном исполнении, наиболее простой из них К174ПС1 — аналоговый перемножитель Джильберта.

7. Пример применения каскада с эмиттерными связями в электронном регуляторе усиления.

Введение обратной связи с помощью резисторов R6, R7 позволяет существенно снизить искажения сигнала. Отношение резисторов выбирают в пределах: R7/R6 = 2…10.

8. Электронный регулятор по японскому патенту.

9. Регулятор с расширенной линейной областью на 15 дБ за счёт линеаризирующих диодов

(при входном напряжении 50 мВ имеет коэффициент гармоник на выходе 0.1 %)

10. Высоколинейный детектор огибающей.

Входное напряжение не должно быть более 100 мВ. При этом с коллекторов снимается верхняя, а с эмиттеров — нижняя огибающая AM — сигнала.

  • Читать дальше
  • 1
  • ...
  • 178
  • 179
  • 180
  • 181
  • 182
  • 183
  • 184
  • 185
  • 186
  • 187
  • 188
  • ...

Ебукер (ebooker) – онлайн-библиотека на русском языке. Книги доступны онлайн, без утомительной регистрации. Огромный выбор и удобный дизайн, позволяющий читать без проблем. Добавляйте сайт в закладки! Все произведения загружаются пользователями: если считаете, что ваши авторские права нарушены – используйте форму обратной связи.

Полезные ссылки

  • Моя полка

Контакты

  • chitat.ebooker@gmail.com

Подпишитесь на рассылку: